Siemens micromaster440manual

Micromaster 440 Operating Instructions. Siemens Micromaster 440 Users Manual Page 23: Installation After A Period Of Storage Time t [h] Fig MICROMASTER 440 6SE6400-5GA00-0BP0 Quick Start Guide 7 NOTICE • Keep these operating instructions within easy reach of the equipment and make them available to all users • Whenever measuring or testing has to be performed on live equipment, the regulations of Safety Code BGV A2 must be observed, in particular §8 "Permissible Deviations

Siemens micromaster440manual
Siemens micromaster440manual from www.slideshare.net

MICROMASTER 440 Operating instructions 6SE6400-5CA00-0BP0 MICROMASTER 440 Operating Instructions 6SE6400-5AW00-0BP0

Siemens micromaster440manual

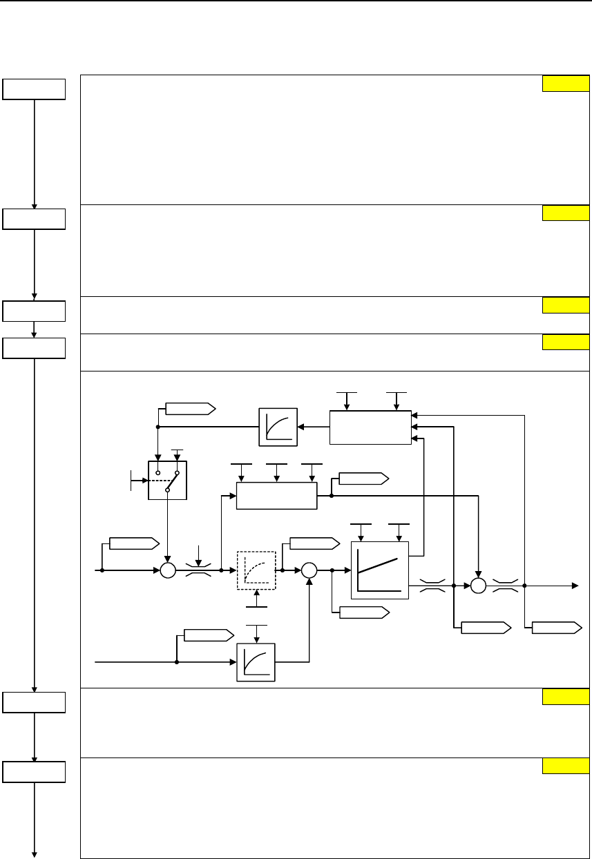
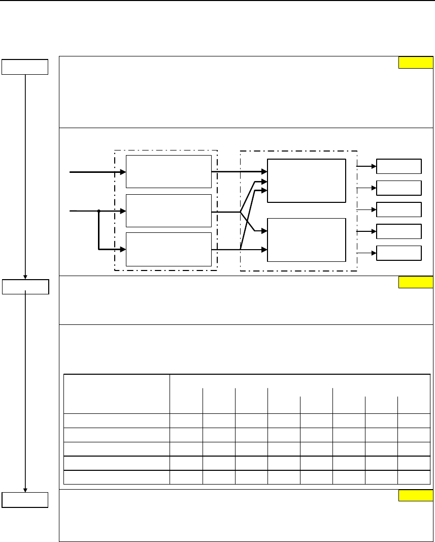
Associated product(s) This entry is associated to 84 product(s) 10/06, Operating instructions, 6SE6400-5AW00-0BP0. Page 27 Access to the power and motor terminals You can gain access to the mains and motor terminals by removing the covers (see also Appendices 0 to E

SIEMENS MICROMASTER 440 OPERATING INSTRUCTIONS MANUAL Pdf Download. MICROMASTER 440 Operating Instructions 6SE6400-5AC00-0BP0. MICROMASTER 440 6SE6400-5GA00-0BP0 Quick Start Guide 7 NOTICE • Keep these operating instructions within easy reach of the equipment and make them available to all users • Whenever measuring or testing has to be performed on live equipment, the regulations of Safety Code BGV A2 must be observed, in particular §8 "Permissible Deviations

SIEMENS MICROMASTER 440 DC DRIVE OPERATING INSTRUCTIONS MANUAL ManualsLib. Associated product(s) This entry is associated to 84 product(s) Page 27 Access to the power and motor terminals You can gain access to the mains and motor terminals by removing the covers (see also Appendices 0 to E